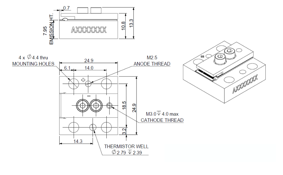
Focuslight炬光科技 FL-HCS02-80-976-Y 单巴半导体激光器
Focuslight炬光科技 FL-HCS02-80-976-Y 单巴半导体激光器 手机/微信:13682357549 13246646513 QQ:672776553 564600083 1903656788 Email:672776553@qq.com 564600083@qq.com
分类:
货号:
FL-HCS02-80-976-Y
分享
描述
Focuslight炬光科技 FL-HCS02-80-976-Y 单巴半导体激光器



手机/微信:13682357549 13246646513 QQ:672776553 564600083 1903656788 Email:672776553@qq.com 564600083@qq.com
